长虹 UPS锂电系统

2022-03-07

 UPS锂电系统



资料图3.png


产品介绍:

主要功能

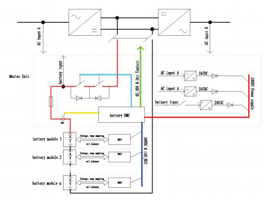
◆智能化BMS管理系统

◆过压,过流,过温,欠压,过放,短路等全方位保护

◆模组主动均衡

◆运行数据全保存

 

应用场景

◆石油,石化

◆电力

◆数据中心

◆轨道交通信号控制






110V系统规格
项目描述
产品型号CHU110100CHU110150CHU110200
化学体系磷酸铁锂
标称电压115.2V
标称容量110Ah150Ah200Ah
额定能量11.53Kwh17.28Kwh23.04Kwh
充电上限电压131.4V
放电下限电压100.8V
浮充电压124.2V~126V
通信、IORS485 ( MODBUS)、干接点
保护功能过温,过流,短路,过充,过放等
尺寸600mm*600mm* 1600mm
重量230kg290kg350kg
储存温度-20°C ~40°C
运行温度0°C ~ 40°C (推荐10°C ~ 30°C运行)
相对湿度5% ~ 95%
海拔≤2000m


220V系统规格
项目描述
产品型号CHU220050CHU220100 CHU220150 CHU220200
化学体系磷酸铁锂
标称电压230.4V
标称容量50Ah100Ah150Ah200Ah
额定能量11.52kWh23.04kWh34.56kWh46.08kWh
充电上限电压262.8V
放电下限电压201.6V
浮充电压248. 4V~ 252V
通信、IORS485 ( MODBUS)、干接点
保护功能过温,过流,短路,过充,过放等
尺寸600mm*600mm* 1600mm600mm*600mm*1600mm ( 2柜)
重量230kg350kg500kg580kg
储存温度-20°C ~ 40°C
运行温度0C ~40°C (推荐10°C ~ 30°C运行)
相对湿度5%~ 95%
海拔≤2000m


400V系统规格
项目描述
产品型号CHU400050CHU400100CHU400150CHU400200
化学体系磷酸铁锂
标称电压403.2V
标称容量50Ah100Ah150Ah200Ah
额定能量20.16kWh40.32kWh60.48kWh80.64kWh
充电上限电压459.9V
放电下限电压352.8V
浮充电压434.7V ~ 441V
电池模组型号CH_M576050  CH_M576100CH_M288150 CH_M288200
电池模组数量771414
自放电率≤3% (0-30°C/3个月)
最大放电电流100A200A300A300A
充电电流50A (推荐≤25A)100A (推荐≤50A)150A(推荐≤75A)200A (推荐≤100A)
循环寿命4000次@80%DOD , 0.5C/0.5C
浮充寿命大于12年
电池模组型号CH_M576050  CH_M576100 CH_M288150CH_M288200


资料图1.png资料图2.png资料图4.png资料图5.png